반응형
육각 너트에 대해서 궁금하신 분은 맨 밑에 링크를 걸어두었으니, 확인하여 주시기 바랍니다
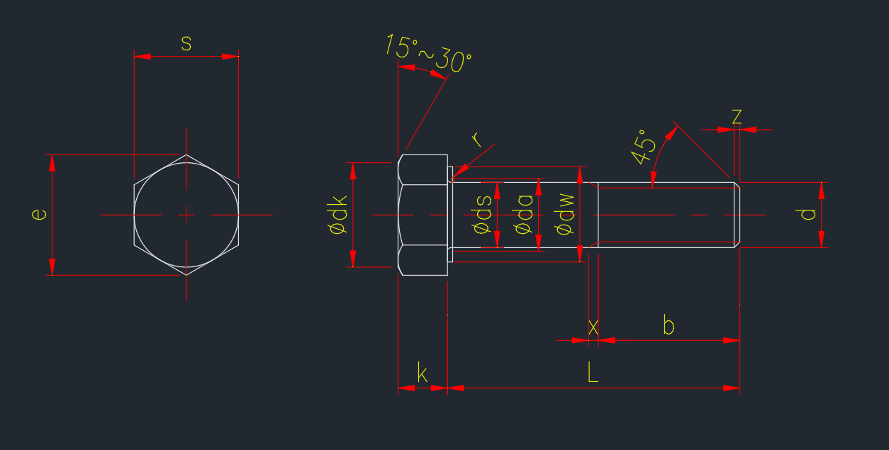
육각 볼트(6각 볼트, Hex Bolt, 헥스 볼트) 설명서
- 육각볼트(hex bolt)는 여섯 각형 머리를 가진 볼트로, 일반적으로 외부에 음표와 나사가 있는 여섯 개의 면을 가지고 있습니다. 이러한 볼트는 일상적인 고정 및 조립 작업에서 널리 사용됩니다.
- 길이와 지름의 다양성 : 육각볼트는 다양한 크기와 길이로 제공되며, 프로젝트 또는 응용 분야에 따라 선택할 수 있습니다.
- 용도 : 육각볼트는 건설, 자동차 조립, 가구 조립, 기계공학, 전자 제품 제작 및 다른 다양한 분야에서 부품을 고정하고 조립하는 데 사용됩니다.
- 다양한 재료 : 육각볼트는 다양한 재료로 제작될 수 있으며, 일반적으로 강철 또는 스테인리스 스틸로 만들어집니다. 특정 환경 또는 조건에 따라 적합한 재료를 선택할 수 있습니다.
- 육각볼트는 기본적인 형태의 볼트로, 부품을 견고하게 고정하고 조립하는 데 널리 사용됩니다. 육각볼트는 다양한 크기와 길이로 제공되며, 특정 프로젝트 또는 작업에 필요한 크기와 스펙을 선택하여 사용됩니다.
육각 볼트(6각 볼트, Hex Bolt, 헥스 볼트) 등급별 규격표

위 도면과 아래 규격표를 함께 참고하여 확인하여 주시기 바랍니다
반응형
육각 볼트(HEX BOLT) A등급 규격표
| 나사 호칭 d | M3 | M4 | M5 | M6 | M8 | M10 | M12 | (M14) | M16 | M20 | M24 | |
| 피치 P | 0.5 | 0.7 | 0.8 | 1 | 1.25 | 1.5 | 1.75 | 2 | 2 | 2.5 | 3 | |
| b | (1) | 12 | 14 | 16 | 18 | 22 | 26 | 30 | 34 | 38 | 46 | 54 |
| (2) | - | - | - | - | - | - | - | 40 | 44 | 52 | 60 | |
| c | 최소 | 0.15 | 0.15 | 0.15 | 0.15 | 0.15 | 0.15 | 0.15 | 0.15 | 0.2 | 0.2 | 0.2 |
| 최대 | 0.4 | 0.4 | 0.5 | 0.5 | 0.6 | 0.6 | 0.6 | 0.6 | 0.8 | 0.8 | 0.8 | |
| da | 최대 | 3.6 | 4.7 | 5.7 | 6.8 | 9.2 | 11.2 | 13.7 | 15.7 | 17.7 | 22.4 | 26.4 |
| ds | 최대 (기준치수) |
3 | 4 | 5 | 6 | 8 | 10 | 12 | 14 | 16 | 20 | 24 |
| 최소 | 2.86 | 3.82 | 4.82 | 5.82 | 7.78 | 9.78 | 11.73 | 13.73 | 15.73 | 19.67 | 23.67 | |
| dw | 최소 | 4.6 | 5.9 | 6.9 | 8.9 | 11.6 | 14.6 | 16.6 | 19.6 | 22.5 | 28.2 | 33.6 |
| e | 최소 | 6.07 | 7.66 | 8.79 | 11.05 | 14.38 | 17.77 | 20.03 | 23.35 | 26.75 | 33.63 | 39.98 |
| f | 최대 | 1 | 1.2 | 1.2 | 1.4 | 2 | 2 | 3 | 3 | 3 | 4 | 4 |
| k | 호칭 (기준치수) |
2 | 2.8 | 3.5 | 4 | 5.3 | 6.4 | 7.5 | 8.8 | 10 | 12.5 | 15 |
| 최소 | 1.88 | 2.68 | 3.35 | 3.85 | 5.15 | 6.22 | 7.32 | 8.62 | 9.82 | 12.28 | 14.78 | |
| 최대 | 2.12 | 2.92 | 3.65 | 4.15 | 5.45 | 6.58 | 7.68 | 8.98 | 10.18 | 12.72 | 15.22 | |
| k' | 최소 | 1.3 | 1.9 | 2.28 | 2.63 | 3.54 | 4.28 | 5.05 | 5.96 | 6.8 | 8.5 | 10.3 |
| r | 최소 | 0.1 | 0.2 | 0.2 | 0.25 | 0.4 | 0.4 | 0.6 | 0.6 | 0.6 | 0.8 | 0.8 |
| s | 최대 (기준 치수) |
5.5 | 7 | 8 | 10 | 13 | 16 | 18 | 21 | 24 | 30 | 36 |
| 최소 | 5.32 | 6.78 | 7.78 | 9.78 | 12.73 | 15.73 | 17.73 | 20.67 | 23.67 | 29.67 | 35.38 | |
| L (길이) | 20 ~ 30 |
25 ~ 40 |
25 ~ 50 |
30 ~ 60 |
35 ~ 80 |
40 ~ 100 |
45 ~ 120 |
50 ~ 140 |
55 ~ 150 |
65 ~ 150 |
80 ~ 150 |
|
육각 볼트(HEX BOLT) B등급 규격표
| 나사 호칭 d | M5 | M6 | M8 | M10 | M12 | (M14) | M16 | M20 | M24 | M30 | M36 | |
| 피치 P | 0.8 | 1 | 1.25 | 1.5 | 1.75 | 2 | 2 | 2.5 | 3 | 3.5 | 4 | |
| b | (1) | 16 | 18 | 22 | 26 | 30 | 34 | 38 | 46 | 54 | 66 | 78 |
| (2) | - | - | 28 | 32 | 36 | 40 | 44 | 52 | 60 | 72 | 84 | |
| (3) | - | - | - | - | - | - | 57 | 65 | 73 | 85 | 97 | |
| c | 최소 | 0.15 | 0.15 | 0.15 | 0.15 | 0.15 | 0.15 | 0.2 | 0.2 | 0.2 | 0.2 | 0.2 |
| 최대 | 0.5 | 0.5 | 0.6 | 0.6 | 0.6 | 0.6 | 0.8 | 0.8 | 0.8 | 0.8 | 0.8 | |
| da | 최대 | 5.7 | 6.8 | 9.2 | 11.2 | 13.7 | 15.7 | 17.7 | 22.4 | 26.4 | 33.4 | 39.4 |
| ds | 최대 (기준치수) |
5 | 6 | 8 | 10 | 12 | 14 | 16 | 20 | 24 | 30 | 36 |
| 최소 | 4.82 | 5.82 | 7.78 | 9.78 | 11.73 | 13.73 | 15.73 | 19.67 | 23.67 | 29.67 | 35.61 | |
| dw | 최소 | 6.7 | 8.7 | 11.4 | 14.4 | 16.4 | 19.2 | 22 | 27.7 | 33.2 | 42.7 | 51.1 |
| e | 최소 | 8.63 | 10.89 | 14.20 | 17.59 | 19.85 | 22.78 | 26.71 | 32.95 | 39.55 | 50.85 | 60.79 |
| f | 최대 | 1.2 | 1.4 | 2 | 2 | 3 | 3 | 3 | 4 | 4 | 6 | 6 |
| k | 호칭 (기준치수) |
3.5 | 4 | 5.3 | 6.4 | 7.5 | 8.8 | 10 | 12.5 | 15 | 18.7 | 22.5 |
| 최소 | 3.26 | 3.76 | 5.06 | 6.11 | 7.21 | 8.51 | 9.71 | 12.15 | 14.65 | 18.28 | 22.08 | |
| 최대 | 3.74 | 4.24 | 5.54 | 6.69 | 7.79 | 9.09 | 10.29 | 12.85 | 15.35 | 19.12 | 22.92 | |
| k' | 최소 | 2.28 | 2.63 | 3.54 | 4.28 | 5.05 | 5.96 | 6.8 | 8.5 | 10.3 | 12.8 | 15.5 |
| r | 최소 | 0.2 | 0.25 | 0.4 | 0.4 | 0.6 | 0.6 | 0.6 | 0.8 | 0.8 | 1 | 1 |
| s | 최대 (기준 치수) |
8 | 10 | 13 | 16 | 18 | 21 | 24 | 30 | 36 | 46 | 55 |
| 최소 | 7.64 | 9.64 | 12.57 | 15.57 | 17.57 | 20.16 | 23.16 | 29.16 | 35 | 45 | 53.8 | |
| L (길이) | 35 ~ 50 |
35 ~ 60 |
35 ~ 80 |
40 ~ 100 |
45 ~ 120 |
50 ~ 140 |
55 ~ 150 |
65 ~ 200 |
80 ~ 240 |
90 ~ 300 |
110 ~ 300 |
|
육각 볼트(HEX BOLT) C등급 규격표
| 나사 호칭 d | M5 | M6 | M8 | M10 | M12 | (M14) | M16 | M20 | M24 | M30 | M36 | |
| 피치 P | 0.8 | 1 | 1.25 | 1.5 | 1.75 | 2 | 2 | 2.5 | 3 | 3.5 | 4 | |
| b | (1) | 16 | 18 | 22 | 26 | 30 | 34 | 38 | 46 | 54 | 66 | 78 |
| (2) | - | - | 28 | 32 | 36 | 40 | 44 | 52 | 60 | 72 | 84 | |
| (3) | - | - | - | - | - | - | 57 | 65 | 73 | 85 | 97 | |
| c | 최대 | 0.5 | 0.5 | 0.6 | 0.6 | 0.6 | 0.6 | 0.8 | 0.8 | 0.8 | 0.8 | 0.8 |
| da | 최대 | 6 | 7.2 | 10.2 | 12.2 | 14.7 | 16.7 | 18.7 | 24.4 | 28.4 | 35.4 | 42.4 |
| ds | 최대 (기준치수) |
5.48 | 6.48 | 8.58 | 10.58 | 12.7 | 14.7 | 16.7 | 20.84 | 24.84 | 30.84 | 37 |
| 최소 | 4.52 | 5.52 | 7.42 | 9.42 | 11.3 | 13.3 | 15.3 | 19.16 | 23.16 | 29.16 | 35 | |
| dw | 최소 | 6.7 | 8.7 | 11.4 | 14.4 | 16.4 | 19.2 | 22 | 27.7 | 33.2 | 42.7 | 51.1 |
| e | 최소 | 8.63 | 10.89 | 14.20 | 17.59 | 19.85 | 22.78 | 26.17 | 32.95 | 39.55 | 50.85 | 60.79 |
| k | 호칭 (기준치수) |
3.5 | 4 | 5.3 | 6.4 | 7.5 | 8.8 | 10 | 12.5 | 15 | 18.7 | 22.5 |
| 최소 | 3.12 | 3.62 | 4.92 | 5.95 | 7.05 | 8.35 | 9.25 | 11.6 | 14.1 | 17.65 | 21.45 | |
| 최대 | 3.88 | 4.38 | 5.68 | 6.85 | 7.95 | 9.25 | 10.75 | 13.4 | 15.9 | 19.75 | 23.55 | |
| k' | 최소 | 2.2 | 2.5 | 3.45 | 4.2 | 4.95 | 5.85 | 6.5 | 8.1 | 9.9 | 12.4 | 15.0 |
| r | 최소 | 0.2 | 0.25 | 0.4 | 0.4 | 0.6 | 0.6 | 0.6 | 0.8 | 0.8 | 1 | 1 |
| s | 최대 (기준 치수) |
8 | 10 | 13 | 16 | 18 | 21 | 24 | 30 | 36 | 46 | 55 |
| 최소 | 7.64 | 9.64 | 12.57 | 15.57 | 17.57 | 20.16 | 23.16 | 29.16 | 35 | 45 | 53.8 | |
| L (길이) | 25 ~ 50 |
30 ~ 60 |
35 ~ 80 |
40 ~ 100 |
45 ~ 120 |
50 ~ 140 |
55 ~ 160 |
65 ~ 200 |
80 ~ 240 |
90 ~ 300 |
110 ~ 300 |
|
육각 볼트(HEX BOLT) 규격표

| 구분 | 나사의 호칭 (ds, d) |
k | s | e 약 |
dk 약 |
r 최소 |
da 최대 |
z 약 |
L 길이 |
|
| 보통 나사 | 가는 나사 | |||||||||
| 육각 볼트 상 |
M3x0.5 | - | 2 | 5.5 | 6.4 | 5.3 | 0.1 | 3.6 | 0.6 | 5~32 |
| (M3.5) | - | 2.4 | 6 | 6.9 | 3.8 | 0.1 | 4.1 | 0.6 | 5~32 | |
| M4x0.7 | - | 2.8 | 7 | 8.1 | 6.8 | 0.2 | 4.7 | 0.8 | 6~40 | |
| (M4.5) | - | 3.2 | 8 | 9.2 | 7.8 | 0.2 | 5.2 | 0.8 | 6~40 | |
| M5x0.8 | - | 3.5 | 8 | 9.2 | 7.8 | 0.2 | 5.7 | 0.9 | 7~50 | |
| M6 | - | 4 | 10 | 11.5 | 9.8 | 0.25 | 6.8 | 1 | 7~70 | |
| (M7) | - | 5 | 11 | 12.7 | 10.7 | 0.25 | 7.8 | 1 | 11~100 | |
| M8 | M8x1 | 5.5 | 13 | 15 | 12.6 | 0.4 | 9.2 | 1.2 | 11~100 | |
| M10 | M10x1.25 | 7 | 17 | 19.6 | 16.5 | 0.4 | 11.2 | 1.5 | 14~100 | |
| M12 | M12x1.25 | 8 | 19 | 21.9 | 18 | 0.6 | 14.2 | 2 | 18~140 | |
| (M14) | (M14x1.5) | 9 | 22 | 25.4 | 21 | 0.6 | 16.2 | 2 | 20~140 | |
| M16 | M16x1.5 | 10 | 24 | 27.7 | 23 | 0.6 | 18.2 | 2 | 22~140 | |
| (M18) | (M18x1.5) | 12 | 27 | 31.2 | 26 | 0.6 | 20.2 | 2.5 | 25~200 | |
| M20 | M20x1.5 | 13 | 30 | 34.6 | 29 | 0.8 | 22.4 | 2.5 | 28~200 | |
| (M22) | (M22x1.5) | 14 | 32 | 37 | 31 | 0.8 | 24.4 | 2.5 | 28~200 | |
| M24 | M24x2 | 15 | 36 | 41.6 | 34 | 0.8 | 26.4 | 3 | 30~220 | |
| (M27) | (M27x2) | 17 | 41 | 47.3 | 39 | 1 | 30.4 | 3 | 35~240 | |
| M30 | M30x2 | 19 | 46 | 53.1 | 44 | 1 | 33.4 | 3.5 | 40~240 | |
| (M33) | (M33x2) | 21 | 50 | 57.7 | 48 | 1 | 36.4 | 3.5 | 45~240 | |
| M36 | M36x3 | 23 | 55 | 63.5 | 53 | 1 | 39.4 | 4 | 50~240 | |
| (M39) | (M39x3) | 25 | 60 | 69.3 | 57 | 1 | 42.4 | 4 | 50~240 | |
| M42 | - | 26 | 65 | 75 | 62 | 1.2 | 45.6 | 4.5 | 55~325 | |
| (M45) | - | 28 | 70 | 80.8 | 67 | 1.2 | 48.6 | 4.5 | 55~325 | |
| M48 | - | 30 | 75 | 86.5 | 72 | 1.6 | 52.6 | 5 | 60~325 | |
| (M52) | - | 33 | 80 | 92.4 | 77 | 1.6 | 56.6 | 5 | 130~400 | |
| 육각볼트 중 |
M6 | - | 4 | 10 | 11.5 | 9.8 | 0.25 | 6.8 | 1 | 7~70 |
| (M7) | - | 5 | 11 | 12.7 | 10.7 | 0.25 | 7.8 | 1 | 11~100 | |
| M8 | M8x1 | 5.5 | 13 | 15 | 12.6 | 0.4 | 9.2 | 1.2 | 11~100 | |
| M10 | M10x1.25 | 7 | 17 | 19.6 | 16.5 | 0.4 | 11.2 | 1.5 | 14~100 | |
| M12 | M12x1.25 | 8 | 19 | 21.9 | 18 | 0.6 | 14.2 | 2 | 18~140 | |
| (M14) | (M14x1.5) | 9 | 22 | 25.4 | 21 | 0.6 | 16.2 | 2 | 20~140 | |
| M16 | M16x1.5 | 10 | 24 | 27.7 | 23 | 0.6 | 18.2 | 2 | 22~140 | |
| (M18) | (M18x1.5) | 12 | 27 | 31.2 | 26 | 0.6 | 20.2 | 2.5 | 25~200 | |
| M20 | M20x1.5 | 13 | 30 | 34.6 | 29 | 0.8 | 22.4 | 2.5 | 28~200 | |
| (M22) | (M22x1.5) | 14 | 32 | 37 | 31 | 0.8 | 24.4 | 2.5 | 28~200 | |
| M24 | M24x2 | 15 | 36 | 41.6 | 34 | 0.8 | 26.4 | 3 | 30~220 | |
| (M27) | (M27x2) | 17 | 41 | 47.3 | 39 | 1 | 30.4 | 3 | 35~240 | |
| M30 | M30x2 | 19 | 46 | 53.1 | 44 | 1 | 33.4 | 3.5 | 40~240 | |
| (M33) | (M33x2) | 21 | 50 | 57.7 | 48 | 1 | 36.4 | 3.5 | 45~240 | |
| M36 | M36x3 | 23 | 55 | 63.5 | 53 | 1 | 39.4 | 4 | 50~240 | |
| (M39) | (M39x3) | 25 | 60 | 69.3 | 57 | 1 | 42.4 | 4 | 50~240 | |
| M42 | - | 26 | 65 | 75 | 62 | 1.2 | 45.6 | 4.5 | 55~325 | |
| (M45) | - | 28 | 70 | 80.8 | 67 | 1.2 | 48.6 | 4.5 | 55~325 | |
| M48 | - | 30 | 75 | 86.5 | 72 | 1.6 | 52.6 | 5 | 60~325 | |
| (M52) | - | 33 | 80 | 92.4 | 77 | 1.6 | 56.6 | 5 | 130~400 | |
| 육각볼트 흑 |
M6 | - | 4 | 10 | 11.5 | 9.8 | 0.25 | 7.2 | 1 | 7~70 |
| (M7) | - | 5 | 11 | 12.7 | 10.7 | 0.25 | 8.2 | 1 | 11~100 | |
| M8 | M8x1 | 5.5 | 13 | 15 | 12.6 | 0.4 | 10.2 | 1.2 | 11~100 | |
| M10 | M10x1.25 | 7 | 17 | 19.6 | 16.5 | 0.4 | 12.2 | 1.5 | 14~100 | |
| M12 | M12x1.25 | 8 | 19 | 21.9 | 18 | 0.6 | 15.2 | 2 | 18~140 | |
| (M14) | (M14x1.5) | 9 | 22 | 25.4 | 21 | 0.6 | 17.2 | 2 | 20~140 | |
| M16 | M16x1.5 | 10 | 24 | 27.7 | 23 | 0.6 | 19.2 | 2 | 22~140 | |
| (M18) | (M18x1.5) | 12 | 27 | 31.2 | 26 | 0.6 | 21.2 | 2.5 | 25~200 | |
| M20 | M20x1.5 | 13 | 30 | 34.6 | 29 | 0.8 | 24.4 | 2.5 | 28~200 | |
| (M22) | (M22x1.5) | 14 | 32 | 37 | 31 | 0.8 | 26.4 | 2.5 | 28~200 | |
| M24 | M24x2 | 15 | 36 | 41.6 | 34 | 0.8 | 28.4 | 3 | 30~220 | |
| (M27) | (M27x2) | 17 | 41 | 47.3 | 39 | 1 | 32.4 | 3 | 35~240 | |
| M30 | M30x2 | 19 | 46 | 53.1 | 44 | 1 | 35.4 | 3.5 | 40~240 | |
| (M33) | (M33x2) | 21 | 50 | 57.7 | 48 | 1 | 38.4 | 3.5 | 45~240 | |
| M36 | M36x3 | 23 | 55 | 63.5 | 53 | 1 | 42.4 | 4 | 50~240 | |
| (M39) | (M39x3) | 25 | 60 | 69.3 | 57 | 1 | 45.4 | 4 | 50~240 | |
| M42 | - | 26 | 65 | 75 | 62 | 1.2 | 48.6 | 4.5 | 55~325 | |
| M45 | - | 28 | 70 | 80.8 | 67 | 1.2 | 52.6 | 4.55 | 55~325 | |
| M48 | - | 30 | 75 | 86.5 | 72 | 1.6 | 56.6 | 5 | 60~325 | |
| M52 | - | 33 | 80 | 92.4 | 77 | 1.6 | 62.6 | 5 | 130~400 | |
| 소형육각볼트 상 중 |
M8 | M8x1 | 5.5 | 12 | 13.9 | 11.5 | 0.4 | 9.2 | 1.2 | 11~100 |
| M10 | M10x1.25 | 7 | 14 | 16.2 | 13.5 | 0.4 | 11.2 | 1.5 | 14~100 | |
| M12 | M12x1.25 | 8 | 17 | 19.6 | 16.5 | 0.6 | 14.2 | 2 | 18~140 | |
| (M14) | (M14x1.5) | 9 | 19 | 21.9 | 18 | 0.6 | 16.2 | 2 | 20~140 | |
| M16 | M16x1.5 | 10 | 22 | 25.4 | 21 | 0.6 | 18.2 | 2 | 22~140 | |
| (M18) | (M18x1.5) | 12 | 24 | 27.7 | 23 | 0.6 | 20.2 | 2.5 | 25~200 | |
| M20 | M20x1.5 | 13 | 27 | 31.2 | 26 | 0.8 | 22.4 | 2.5 | 28~200 | |
| (M22) | (M22x1.5) | 14 | 30 | 34.6 | 29 | 0.8 | 24.4 | 2.5 | 28~200 | |
| M24 | M24x2 | 15 | 32 | 37 | 31 | 0.8 | 26.4 | 3 | 30~220 | |
| (M27) | (M27x2) | 17 | 36 | 41.6 | 34 | 1 | 30.4 | 3 | 35~240 | |
| M30 | M30x2 | 19 | 41 | 47.3 | 39 | 1 | 33.4 | 3.5 | 40~240 | |
| (M33) | (M33x2) | 21 | 46 | 53.1 | 44 | 1 | 36.4 | 3.5 | 45~240 | |
| M36 | M36x3 | 23 | 50 | 57.7 | 48 | 1 | 39.4 | 4 | 50~240 | |
| (M39) | (M39x3) | 25 | 55 | 63.5 | 53 | 1 | 42.4 | 4 | 50~240 | |
이상으로 육각 볼트(6각 볼트, Hex Bolt, 헥스 볼트) 규격(사이즈) 및 설명에 대한 포스팅을 마치겠습니다
감사합니다
육각 너트(6각 너트, Hex 너트, 헥스 너트) 규격(사이즈) 및 설명 (tistory.com)
육각 너트(6각 너트, Hex 너트, 헥스 너트) 규격(사이즈) 및 설명
육각 너트(6각 너트, Hex 너트, 헥스 너트)설명서 6각 너트(또는 헥스 너트)는 여섯 각형 모양을 가진 너트로, 표준적으로 여섯 개의 면이 있으며 각 면에 외부 및 내부 나사가 있습니다. 이러한 너
reviewmanager.tistory.com
반응형
'기계설계 KS 규격' 카테고리의 다른 글
| 평와셔(Washer) 규격 및 설명서 (1) | 2023.11.04 |
|---|---|
| 롤러 체인 스프로킷 규격 및 설명서(Roller Chain Sprocket) (1) | 2023.11.02 |
| 스프링핀(Spring Pin) 규격표 및 설명서 (1) | 2023.10.31 |
| 스터드볼트 규격표 및 설명서 (1) | 2023.10.31 |
| 나비 너트 규격 및 설명서 (0) | 2023.10.30 |